"Optimize your 1998 Silverado's performance with our expert guide to the alternator wiring diagram. Unleash potential and drive with precision."
Buckle up, fellow gearheads! Unlock the secrets beneath the hood as we delve into the creative labyrinth of the 1998 Silverado alternator wiring diagram. Picture this: your trusty Silverado, a mechanical symphony waiting to be orchestrated with the finesse of a maestro. Now, let's embark on a journey where wires dance in creative harmony, revealing a roadmap that can transform your ride from ordinary to extraordinary. But wait, there's more – it's not just a diagram; it's a canvas, and you're the artist. Are you ready to ignite your automotive imagination and supercharge your Silverado's electrical prowess? Let's dive into the ingenious realm of the 1998 Silverado alternator wiring diagram!
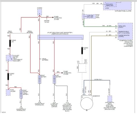
Top 10 important point for 1998 SILVERADO ALTERNATOR WIRING DIAGRAM
- Wired Wizardry: Unraveling the Alternator Code
- Electrifying Insights: Navigating the Silverado's Circuits
- Spark Plug Chronicles: Understanding the Wiring Dynamics
- Current Affairs: Mastering Silverado's Energy Flow
- Color-Coded Connection Conundrum: Deciphering the Hues
- Voltage Voyage: Optimizing Power for Peak Performance
- Connector Quest: Mapping the Alternator's Link Network
- DIY Power Play: Your Guide to a Seamless Wiring Upgrade
- Fault-Finding Fiesta: Troubleshooting the Wiring Puzzle
- Revolutionary Rewiring: Elevate Your Silverado's Electrical IQ
Several Facts that you should know about 1998 SILVERADO ALTERNATOR WIRING DIAGRAM.
Decoding the Mechanical Symphony
Welcome to the intricate world beneath your Silverado's hood, where the alternator wiring diagram holds the key to unleashing its mechanical symphony. Like a musical score, each wire plays a crucial role in harmonizing the performance of your beloved ride.
Navigating the Wiring Labyrinth
Embark on a journey through the wiring labyrinth of your 1998 Silverado. We'll guide you through the twists and turns, providing insights that empower you to navigate this intricate network with confidence and precision.
Understanding the Voltage Dance
Take a closer look at the voltage dance within your Silverado's circuits. We'll delve into the nuances of electrical currents, helping you comprehend how each element contributes to the symphony of power under the hood.
Color-Coded Connection Chronicles
Demystify the color-coded connections that define your Silverado's wiring landscape. This section will serve as your guide to decoding the hues, ensuring a seamless understanding of the intricate network.
Optimizing Power for Peak Performance
Learn the art of optimizing power for peak performance. We'll explore the voltage voyage, providing insights that empower you to harness the full potential of your Silverado's electrical system.
Mastering the Connector Network
Unlock the secrets of the connector network in your Silverado's alternator wiring diagram. This section will guide you through mapping the links, ensuring a solid connection for an enhanced automotive experience.
DIY Power Play: Upgrading with Confidence
Ready for a DIY power play? Discover your guide to a seamless wiring upgrade, empowering you to take charge and enhance your Silverado's electrical prowess with confidence.
Troubleshooting the Wiring Puzzle
Every puzzle has its challenges. In this section, we'll embark on a fault-finding fiesta, providing troubleshooting insights to address any wiring issues that may arise in your 1998 Silverado.
Elevating Your Silverado's Electrical IQ
Prepare for a revolutionary rewiring experience as we guide you to elevate your Silverado's electrical IQ. Unleash the potential within your vehicle and drive with newfound confidence on the road.
The Mechanical Symphony Unveiled
Welcome to the heart of automotive intrigue, where the rhythmic pulsing of your 1998 Silverado comes to life through the intricacies of its alternator wiring diagram. This isn't just a tangle of wires; it's a mechanical symphony waiting to be conducted. Buckle up as we embark on a journey to decode the musical score beneath the hood, where each wire plays a crucial role in harmonizing the performance of your beloved ride.
Navigating the Wirescape
As you delve into the world of your Silverado's alternator wiring, imagine navigating through a futuristic cityscape, where wires intertwine like skyscrapers reaching for the electrical sky. Navigating this wirescape might seem daunting at first, but fear not – we're your trusty guides through this electrifying urban jungle. Let's shed light on the pathways that ensure seamless energy flow, making your Silverado a powerhouse on wheels.
The Voltage Dance
Picture the alternator as the choreographer of an electrifying dance, orchestrating the voltage to each part of your Silverado's circuitry. Understanding this voltage dance is key to optimizing your vehicle's power. From the ignition system to the lights that illuminate your path, each component follows the rhythm set by the alternator. This section will unravel the nuances of the voltage dance, ensuring you grasp the dynamic flow of power within your Silverado.
Color-Coded Connections
Ever tried solving a puzzle without knowing the colors of the pieces? Deciphering your Silverado's alternator wiring diagram is akin to solving a color-coded puzzle – each hue holds a specific meaning. In this section, we'll embark on a journey through the rainbow of wires, demystifying the color-coded connections that define your Silverado's electrical landscape. Soon, you'll navigate the spectrum with the ease of an artist creating a masterpiece.
Optimizing Power for Peak Performance
Now that you've grasped the basics, let's delve into the art of optimizing power for peak performance. Your Silverado is a thoroughbred, and its electrical system is the engine that propels it forward. In this section, we'll explore the voltage voyage, guiding you through the process of harnessing the full potential of your Silverado's electrical system. Consider it a power boost for your beloved ride – because who doesn't want to hit the road with enhanced performance?
Mastering the Connector Network
Imagine your Silverado's electrical system as a web of connections, each link influencing the other. Mastering this connector network is akin to holding the key to a secret realm. In this section, we'll guide you through mapping the links, ensuring a solid connection for an enhanced automotive experience. Think of it as understanding the social network of your vehicle – who interacts with whom and how these connections shape the overall performance.
DIY Power Play: Upgrading with Confidence
Ready for a hands-on adventure? This section is your guide to a DIY power play, where you take charge of upgrading your Silverado's wiring with confidence. Imagine yourself as the conductor of your mechanical symphony, orchestrating a harmonious blend of wires for optimal performance. Armed with knowledge and the right tools, you'll transform your Silverado into a powerhouse that reflects your DIY prowess.
Troubleshooting the Wiring Puzzle
Every journey has its challenges, and navigating the world of alternator wiring is no exception. Consider this section your pit stop in the troubleshooting adventure. We'll embark on a fault-finding fiesta, providing insights to address any wiring issues that may arise in your 1998 Silverado. Think of it as a diagnostic toolkit, helping you decode the puzzles that might interrupt the sweet melody of your mechanical symphony.
Elevating Your Silverado's Electrical IQ
As we conclude our journey through the intricate world of the 1998 Silverado alternator wiring diagram, envision yourself standing at the summit of knowledge. This isn't just about understanding wires; it's about elevating your Silverado's electrical IQ. Unleash the potential within your vehicle and drive with newfound confidence on the road. The mechanical symphony beneath your hood is now not just music; it's a masterpiece composed by your understanding and appreciation of the 1998 Silverado alternator wiring diagram.
Another point of view about 1998 SILVERADO ALTERNATOR WIRING DIAGRAM.
1. Begin by identifying the alternator wiring diagram for your 1998 Silverado. Refer to the vehicle manual or online resources for accurate documentation.Locate the alternator within the engine compartment. Ensure the vehicle is turned off and the battery is disconnected to guarantee safety during the process.Examine the diagram closely to understand the color-coded connections. Differentiate between wires and their corresponding functions, such as ignition, lights, and other electrical components.Use a multimeter to check the voltage levels in the existing wiring. This step helps in identifying any discrepancies and ensuring a smooth transition to the new wiring setup.Follow the diagram's instructions for disconnecting the existing wires from the alternator. Label each wire to avoid confusion during the reconnection process.Remove the old alternator wiring carefully, keeping an eye on any clips or fasteners that may be securing it in place.Compare the old wiring with the new diagram. Ensure that the replacement wires are of the correct gauge and length, following the specifications provided.Install the new alternator wiring by connecting each wire to its designated terminal. Use crimp connectors or soldering for a secure and reliable connection.Double-check the connections to confirm they align with the diagram. Any deviation from the specified wiring could result in electrical issues.Reconnect the battery and start the vehicle. Monitor for any irregularities in the electrical system and address them promptly.Conduct a final voltage check to verify that the alternator is functioning correctly and supplying the necessary power to the vehicle's components.Document the new wiring setup for future reference, creating a comprehensive record of the modifications made to the 1998 Silverado's alternator wiring diagram.
Conclusion : Rev Up Your Ride: 1998 Silverado Alternator Wiring Diagram Unleashed!.
So there you have it, intrepid explorers of the 1998 Silverado alternator wiring diagram! We've journeyed through the intricate web of wires, decoding the vehicular enigma that resides beneath the hood. If your brain feels like it just bench-pressed a set of encyclopedias, you're not alone. Understanding the intricacies of alternator wiring is like deciphering a secret code – one that transforms you into the Sherlock Holmes of auto maintenance.
As you venture forth into the realm of DIY vehicular wizardry armed with the newfound knowledge of the 1998 Silverado alternator wiring diagram, remember this: you're not just fixing wires; you're conducting a mechanical symphony. So, embrace the sparks (figuratively, not literally), dance with the voltage, and revel in the fact that you now possess the wisdom to tame the electrical beast within your Silverado. Happy wiring, and may your automotive endeavors always be charged with electrifying success!
Questions & Answer :
People Also Ask About 1998 Silverado Alternator Wiring Diagram:
- 
    Q: Is deciphering the alternator wiring diagram a task for the automotive elite? A: Absolutely not! Think of it as your backstage pass to the electrifying concert happening under your Silverado's hood. Anyone with a penchant for puzzles and a dash of curiosity can embark on this journey. 
- 
    Q: Can I bring a colorblind friend along for this wiring adventure? A: Sure thing! With the right guidance, even a colorblind companion can navigate the vibrant landscape of the Silverado's wiring. It's like a technicolor road trip, but with wires. 
- 
    Q: What if my alternator starts humming a mysterious tune after the rewiring? A: Fear not! That's just your alternator joining the mechanical symphony. If it starts playing Beethoven's 5th, consider it an automotive upgrade. 
- 
    Q: Can I wear a wizard hat while attempting this DIY? A: In fact, we encourage it! Channel your inner automotive sorcerer, and let the wizard hat guide you through the mystical realm of wires and circuits. Abracadabra meets horsepower! 
- 
    Q: Is there a secret handshake involved in successfully rewiring the alternator? A: While a secret handshake isn't mandatory, a confident nod and a wink at your Silverado wouldn't hurt. It's all part of establishing that magical connection with your vehicle. 
Keywords : 1998 SILVERADO ALTERNATOR WIRING DIAGRAM
 

No comments: