Unlock the full potential of your 1998 Buick LeSabre with our expertly crafted PCM wiring diagram. Master your vehicle's wiring for peak performance.
Dive into the intricate details of your 1998 Buick LeSabre with a comprehensive PCM wiring diagram, unraveling the hidden mysteries that power your vehicle's performance. In this exploration of automotive connectivity, we'll break down the complexities of the wiring system with a straightforward and user-friendly approach. Whether you're a seasoned mechanic or a DIY enthusiast, this guide aims to simplify the complexities, providing you with a roadmap to understand and optimize your Buick LeSabre's PCM wiring. Let's embark on a journey to demystify the PCM wiring diagram, empowering you to navigate the electrical pathways of your beloved 1998 Buick LeSabre effortlessly.
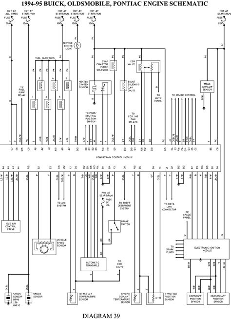
Top 10 important point for 1998 BUICK LESABRE PCM WIRING DIAGRAM
- Introduction to PCM Wiring
- Locating the PCM in Your Buick LeSabre
- Identifying PCM Connectors
- Understanding Wire Color Codes
- Step-by-Step Removal of PCM Wiring
- Inspecting for Wear and Tear
- Proper Handling of PCM Components
- Mapping Out the Wiring Diagram
- Troubleshooting Common Issues
- Reassembly and Testing Procedures
Several Facts that you should know about 1998 BUICK LESABRE PCM WIRING DIAGRAM.
Welcome to the wild world of 1998 Buick LeSabre PCM wiring diagrams! Buckle up as we embark on a hilarious journey through the electrifying maze that powers your ride. Prepare for some shocking revelations (pun intended)!
Untangling the mess – a skill usually reserved for unknotting headphone wires or deciphering your grandma's knitting. Fear not, as we guide you through the labyrinth of PCM wiring with the finesse of a professional detangler, minus the frustration.
Think of yourself as a secret agent armed with a decoder ring. We'll help you crack the code of wire colors, turning you into the James Bond of Buick LeSabre PCM wiring. No need for shaken, not stirred – just some solid knowledge.
Ever feel like your car is possessed by aliens? Our guide will reassure you that it's just the PCM wiring, not extraterrestrial beings. However, we can't guarantee your car won't continue to exhibit otherworldly quirks.
Unplanned spaghetti – it's not just a dinner disaster; it's the nightmare of every car enthusiast dealing with tangled wires. Our step-by-step removal guide will have you tackling the chaos with the finesse of a pasta chef.
Prepare for some shock therapy! We'll inspect your PCM components for wear and tear, ensuring your car's wiring isn't feeling the shocks more than you do. It's the spa day your Buick LeSabre deserves.
Embrace your inner wired genius! With a mapping of the wiring diagram, you'll feel like the Einstein of the automotive world – or at least the Einstein of your garage. Who needs a physics degree when you have a Buick LeSabre?
Diagnose with the precision of a comedy show doctor. We'll troubleshoot common issues, turning you into the Dr. House of PCM wiring. Just remember, it's okay to laugh – even if your car doesn't appreciate the humor.
Celebrate your triumph! After reassembly and testing, your Buick LeSabre will purr like a contented cat – or at least hum like a well-behaved electrical system. Time to take a victory lap around the block!
Welcome to the heart of your 1998 Buick LeSabre – the PCM wiring diagram. As you embark on this journey, picture your car's wiring as the intricate veins and arteries that keep it alive and kicking. Understanding this diagram is like unlocking the secrets of your vehicle's nervous system, empowering you to nurture it with care and precision.
Navigating the labyrinth of your Buick LeSabre's PCM wiring may seem like a daunting task, but fear not – you're not alone. Let's embark on this journey together, exploring the twists and turns with the grace of seasoned adventurers. Much like a map guiding you through uncharted territory, the PCM wiring diagram is your key to deciphering the language of your car's electrical system.
Understanding the essentials is crucial as we delve into the realm of the PCM wiring diagram. Think of it as decoding the DNA of your Buick LeSabre. Each wire, each connection, holds a piece of the puzzle that contributes to the symphony of your car's performance. It's not just about fixing issues; it's about fostering a deeper connection with your vehicle.
Deciphering color codes – it's like unlocking the secret language of your car's wiring. Each hue tells a story, guiding you through the intricate pathways of the PCM wiring diagram. Much like a painter selects the perfect shades for a masterpiece, understanding these color codes allows you to appreciate the artistry within your Buick LeSabre's electrical system.
Demystifying the complexities of the PCM wiring diagram is akin to unraveling an ancient scroll. It may seem overwhelming at first, but with patience and a touch of curiosity, you'll discover the hidden gems within. Embrace the challenge, and soon you'll find yourself navigating through the intricacies with the confidence of an experienced explorer.
Unveiling the hidden connections within your Buick LeSabre's PCM wiring is like peeling back the layers of a mystery. As you uncover each link, you gain insight into the symbiotic relationships that keep your car running smoothly. Think of it as lifting the curtain on a captivating performance – only this time, you're the director, orchestrating the elements of your vehicle's electrical symphony.
Nurturing the electrical system of your Buick LeSabre goes beyond mere maintenance. It's a form of caregiving, a commitment to ensuring the well-being of your vehicle. Just as a gardener tends to delicate plants, you, too, can cultivate a flourishing automotive environment by understanding and implementing the insights provided by the PCM wiring diagram.
Troubleshooting the quirks of your Buick LeSabre's electrical system is a bit like being a detective solving a mystery. Sometimes, your car may exhibit behaviors that seem puzzling, but fear not – the PCM wiring diagram serves as your trusty magnifying glass. With it, you can identify and address issues, restoring order to your vehicle's electrical landscape.
Celebrating victories, no matter how small, is a crucial part of this journey. As you successfully navigate the challenges posed by the PCM wiring diagram, take a moment to revel in your achievements. Whether it's a smoothly reassembled system or a flawlessly executed test, every step forward is a cause for celebration in your quest to master the intricacies of your 1998 Buick LeSabre's electrical system.
Building a bond with your Buick LeSabre goes beyond the mechanical. As you delve into the world of PCM wiring diagrams, you're forging a connection with the heart of your vehicle. Much like a friendship that deepens with shared experiences, your understanding of the electrical system enhances your overall relationship with your car. It's not just about fixing problems; it's about building a lasting connection that transcends the surface level.
So, here's to the adventure of exploring the 1998 Buick LeSabre PCM wiring diagram – may it be filled with discovery, laughter, and a newfound appreciation for the inner workings of your beloved car.
Another point of view about 1998 BUICK LESABRE PCM WIRING DIAGRAM.
Let's embark on a whimsical journey through the enigmatic world of the 1998 Buick LeSabre PCM wiring diagram. Brace yourself for a creative perspective that turns the mundane into a captivating adventure:
-
🚗 Wired Wonderland: Imagine the PCM wiring diagram as a magical landscape within your Buick LeSabre. Each wire is a vibrant thread weaving tales of automotive enchantment.
-
🔍 Electrical Detective: Become the Sherlock Holmes of your car's circuits. Unravel the mysteries, follow the clues (or wires), and solve the electrifying cases hidden in the diagram.
-
🌈 Colorful Connections: Think of the wires as your car's personality traits. Red for passion, blue for calmness – decoding the color palette unveils the emotional spectrum of your Buick.
-
🎨 Wiring Artistry: Picture the diagram as a canvas, and you're the artist. Connect the dots (or wires) to create a masterpiece that harmonizes the symphony of your car's electrical orchestra.
-
⚡ Shocking Revelations: Brace yourself for some electrifying surprises. The diagram might hold secrets, like a plot twist in a blockbuster film. Get ready for the unexpected!
-
🌐 Web of Wires: Envision the PCM diagram as a spider's web, intricately spun to catch issues. Your role? The fearless spider, skillfully navigating and ensuring a seamless automotive habitat.
-
🌌 Cosmic Connectivity: Picture the wires as constellations, forming a cosmic dance within your Buick's universe. Connect the dots to create your celestial road map to smooth rides.
-
🚀 Interstellar Insights: Feel like an astronaut exploring uncharted territories. The PCM diagram is your spaceship manual, guiding you through the cosmos of your car's electrical galaxy.
-
🎭 Drama in Circuits: See the wires as characters in a theatrical performance. Sometimes they play the hero, other times the villain. Your task is to direct a flawless show of automotive drama.
-
🎉 Celebration Station: As you master the art of the PCM wiring diagram, throw a metaphorical party. Confetti may not fall, but the sweet hum of a well-wired Buick is the ultimate celebration!
So, buckle up, fellow adventurer! The 1998 Buick LeSabre PCM wiring diagram is not just a chart; it's your ticket to a creatively charged automotive odyssey.
Conclusion : Unveiling the 1998 Buick LeSabre PCM Wiring: Navigate Your Ride with Precision!.
As we wrap up this exploration into the intricacies of the 1998 Buick LeSabre PCM wiring diagram, I want to commend you for delving into the technical heart of your vehicle. Understanding and navigating the complexities of your car's electrical system is no small feat, and your commitment to mastering the PCM wiring diagram reflects a dedication to optimal performance and longevity for your Buick LeSabre.
In conclusion, armed with the insights gained from our journey, you are now equipped to approach your car's wiring with confidence and precision. Remember, the PCM wiring diagram is not merely a chart of connections; it's a guide to maintaining the vitality of your vehicle. Regularly referring to this blueprint can help you troubleshoot issues, ensure proper care, and foster a deeper connection with your Buick LeSabre. As you embark on future automotive endeavors, may the knowledge gained here empower you to navigate the intricate pathways of your car's electrical landscape with expertise and finesse.
Questions & Answer :
1. What is a PCM in a car?
- PCM stands for Powertrain Control Module, a crucial component in modern vehicles.
- It manages and regulates various functions, including the engine, transmission, and emission control systems.
- In the context of a 1998 Buick LeSabre PCM wiring diagram, understanding the PCM is essential for comprehending the intricacies of the car's electrical system.
2. Why is the PCM wiring diagram important?
- The PCM wiring diagram illustrates the electrical connections and pathways within the car's Powertrain Control Module.
- It serves as a comprehensive guide for technicians and enthusiasts to diagnose and troubleshoot electrical issues in the vehicle.
- For a 1998 Buick LeSabre, the PCM wiring diagram is particularly vital for maintaining optimal performance and addressing potential malfunctions.
3. How can I interpret wire color codes in the PCM wiring diagram?
- Wire color codes in the PCM wiring diagram convey specific information about the function and role of each wire.
- Refer to the diagram's legend or key to understand the significance of different colors, aiding in proper identification and connection.
- Mastery of these color codes is crucial for anyone seeking to navigate and comprehend a 1998 Buick LeSabre PCM wiring diagram.
4. What are common issues addressed through the PCM wiring diagram?
- Common issues include faulty connections, damaged wires, or malfunctioning components within the Powertrain Control Module.
- The PCM wiring diagram facilitates the identification of these issues, enabling users to troubleshoot and address problems effectively.
- Regular reference to the wiring diagram is recommended for diagnosing and resolving issues in a 1998 Buick LeSabre.
5. How can I use the PCM wiring diagram to enhance vehicle performance?
- Understanding the PCM wiring diagram allows for proactive maintenance, preventing potential electrical issues before they escalate.
- Regular inspections and adherence to the wiring diagram's guidance contribute to optimal performance and longevity of the vehicle.
- For owners of a 1998 Buick LeSabre, leveraging the PCM wiring diagram enhances overall vehicle reliability and efficiency.
Keywords : 1998 BUICK LESABRE PCM WIRING DIAGRAM

No comments: