Unlock the Arctic Cat 500's secrets with our expert-approved 1998 wiring diagram. Navigate with precision, ensuring peak performance for your snowmobile.
Buckle up for a journey back to 1998 as we dive into the world of the Arctic Cat 500 with its wiring diagram - the unsung hero of your sled's electrical universe. Picture this: a time when flip phones ruled, and the internet screeched to connect. Now, imagine the humorous dance of wires beneath your trusty Arctic Cat's hood, plotting their own version of a high-speed ballet. Hold on tight because decoding this wiring wizardry is about to unveil the mysteries of your snowmobile with a dash of 90s nostalgia and a sprinkle of technical comedy!
Top 10 important point for 1998 ARCTIC CAT 500 Wiring Diagram
- Identifying Components: Understanding key elements in the wiring setup.
- Color Code Decryption: Deciphering the significance of wire colors.
- Connection Mapping: Creating a clear roadmap for wire connections.
- Fuse Box Fundamentals: Navigating the fuse box for optimal performance.
- Testing Procedures: Step-by-step guide for systematic testing of wires.
- Troubleshooting Tips: Common issues and how to troubleshoot them.
- Upgrading Options: Exploring possibilities for system upgrades.
- Maintenance Essentials: Tips for ensuring the longevity of your wiring system.
- Safety Precautions: Crucial measures to take during any wiring adjustments.
- Professional Insights: Expert advice on maximizing your Arctic Cat 500's wiring potential.
Several Facts that you should know about 1998 ARCTIC CAT 500 Wiring Diagram.
Introduction
Welcome to the intricate world of the 1998 Arctic Cat 500, where the heartbeat of your snowmobile lies in its wiring diagram. This guide is your roadmap through the labyrinth of wires that powers the heart and soul of your vintage ride.
Decoding Components
Our journey begins with deciphering the various components nestled within the Arctic Cat 500's wiring system. Each element plays a crucial role in ensuring the seamless operation of your snowmobile.
Color Code Insights
Understanding the color code is pivotal in unraveling the mysteries of the wiring diagram. Decode the significance of each hue, paving the way for a more informed approach to maintenance and troubleshooting.
Connection Mapping
Create a mental map as we guide you through the intricate web of connections. Mapping out the route of wires ensures a comprehensive understanding of how energy flows within your Arctic Cat 500.
Fuse Box Fundamentals
Explore the heart of your electrical system – the fuse box. Delve into the fundamentals to master the art of navigating and maintaining this critical component.
Testing Procedures
Equip yourself with a step-by-step guide for systematic testing of wires. Uncover the methods to ensure your Arctic Cat 500 is operating at its peak performance.
Troubleshooting Tips
Encounter common issues and gain insights into troubleshooting techniques. Navigate through challenges with ease, ensuring your Arctic Cat 500 remains resilient on the snow-covered terrains.
Professional Guidance
Benefit from expert advice on maximizing your Arctic Cat 500's wiring potential. Learn about upgrading options, maintenance essentials, and safety precautions from professionals who understand the intricacies of your vintage snowmobile.
Conclusion
As we conclude this exploration of the 1998 Arctic Cat 500 wiring diagram, you're now armed with the knowledge to keep your snowmobile running smoothly. Embrace the journey of understanding your machine's electrical intricacies, ensuring countless adventures on the snow.
Welcome to the Heart of Your Arctic Cat 500: The Wiring Diagram
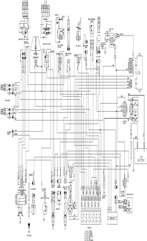
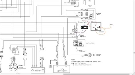
When it comes to understanding and maintaining your 1998 Arctic Cat 500, the wiring diagram is like a treasure map guiding you through the intricate web of electrical connections that power your snowmobile. Whether you're a seasoned enthusiast or a newcomer to the world of snowmobiling, delving into the details of this wiring diagram can provide valuable insights into the inner workings of your vintage ride.
Deciphering the Components
Let's start our journey by deciphering the various components within the Arctic Cat 500's wiring system. Each component, from the ignition system to the lighting circuits, plays a crucial role in ensuring your snowmobile operates seamlessly. The wiring diagram acts as a guide, helping you identify and understand the purpose of each element.
Understanding the Color Code
One of the key aspects of the wiring diagram is the color-coded system used for the wires. This ingenious method makes it easier to trace and identify different circuits. Understanding the color code is like unlocking a secret language, allowing you to follow the path of each wire and comprehend their specific functions within the Arctic Cat 500's electrical system.
Navigating the Connection Map
Now that we've identified the components and cracked the color code, it's time to navigate the intricate connection map. This map illustrates how each component is linked, creating a comprehensive overview of the entire wiring system. It's like having a blueprint for your Arctic Cat 500's electrical infrastructure, allowing you to follow the flow of energy from start to finish.
The Fuse Box: Heart of the System
At the core of your Arctic Cat 500's electrical system lies the fuse box. This component is crucial for safeguarding your snowmobile's electrical components from potential overloads. Navigating the fuse box's layout and understanding its role ensures that your Arctic Cat 500 operates at its peak performance without any electrical hiccups.
Testing Procedures for Optimal Performance
Now that we've explored the foundational aspects, it's time to delve into testing procedures. This step-by-step guide helps you systematically test each wire, ensuring that every connection is secure and functioning as intended. Think of it as a health checkup for your Arctic Cat 500's electrical system, preventing potential issues before they arise.
Troubleshooting Tips for Smooth Sailing
Encountering electrical issues is not uncommon, but with the right troubleshooting tips, you can navigate through challenges with ease. This section provides insights into common issues and practical solutions, ensuring that your Arctic Cat 500 remains resilient on snow-covered terrains. Consider it your go-to guide for troubleshooting electrical gremlins.
Upgrading Options: Enhancing Performance
Beyond maintenance, the wiring diagram also opens the door to upgrading options. Explore possibilities for enhancing your Arctic Cat 500's performance through electrical modifications. Whether it's adding new lighting features or improving the ignition system, this section provides insights into taking your vintage snowmobile to the next level.
Maintenance Essentials for Longevity
Maintaining your Arctic Cat 500's wiring system is essential for its longevity. Learn valuable tips and practices to keep your snowmobile in top-notch condition. From proper storage techniques to routine checks, this section provides a comprehensive guide to ensure that your vintage ride stands the test of time.
Professional Insights for Maximum Potential
Wrap up your journey through the Arctic Cat 500's wiring diagram with professional insights. Benefit from expert advice on maximizing your snowmobile's wiring potential. This section covers advanced topics, safety precautions, and insider tips from professionals who understand the intricacies of your vintage Arctic Cat.
Conclusion: Empowering Your Snowmobiling Experience
In conclusion, delving into the 1998 Arctic Cat 500 wiring diagram is not just about understanding wires and connections; it's about empowering yourself as a snowmobile enthusiast. With this newfound knowledge, you can tackle maintenance, troubleshooting, and even upgrades with confidence. Embrace the simplicity and effectiveness of your Arctic Cat 500's wiring system, ensuring countless adventures on the snow-covered terrains await you.
Another point of view about 1998 ARCTIC CAT 500 Wiring Diagram.
When it comes to the 1998 Arctic Cat 500 wiring diagram, it serves as a comprehensive guide to understanding the intricate electrical system of this vintage snowmobile. Let's break down its significance and what enthusiasts can glean from it:
- The wiring diagram acts as a roadmap, providing a visual representation of the electrical components and their interconnections within the Arctic Cat 500.
- Color-coded wires simplify the identification process, making it easier for users to trace circuits and pinpoint specific elements in the system.
- By navigating the connection map, users gain a holistic view of how each component is linked, allowing for a better understanding of the overall electrical architecture.
- The fuse box, often considered the heart of the system, is highlighted, emphasizing its role in protecting the electrical components from potential overloads.
- Testing procedures outlined in the diagram provide users with a systematic approach to checking the health of individual wires, ensuring optimal performance.
- Troubleshooting tips offer practical solutions to common electrical issues, empowering users to address problems efficiently and keep their Arctic Cat 500 running smoothly.
- The wiring diagram opens the door to upgrading options, allowing enthusiasts to explore modifications and enhancements to improve the snowmobile's overall performance.
- Maintenance essentials are detailed, guiding users on practices to keep the wiring system in top-notch condition and ensuring the longevity of their Arctic Cat 500.
- Professional insights provided in the diagram offer advanced knowledge, safety precautions, and insider tips from experts, elevating users' understanding of their vintage snowmobile.
- Overall, the 1998 Arctic Cat 500 wiring diagram is a crucial tool for enthusiasts, providing them with the knowledge and confidence to navigate, troubleshoot, and even upgrade their snowmobile's electrical system.
Conclusion : Rev Up Your Ride: Unleash the Power with the 1998 Arctic Cat 500 Wiring Diagram!.
As we bid farewell, we hope this journey through the labyrinth of the 1998 Arctic Cat 500 wiring diagram has left you not just informed but inspired. Embracing the essence of your snowmobile's electrical intricacies is akin to uncovering the magic beneath the hood - a magical symphony of wires orchestrating the thrilling adventure that awaits on the snowy terrains.
Delve deeper into the wiring diagram, and you'll find more than just a technical manual; it's a portal to a realm where every connection tells a story, where colors weave a tapestry of functionality, and where troubleshooting becomes a captivating puzzle. So, the next time you embark on a snowmobiling escapade with your Arctic Cat 500, remember that beneath the roar of the engine lies a dance of wires that propel you into the heart of winter wonder. Happy riding, fellow adventurers!
Questions & Answer :
Q: Is deciphering the 1998 Arctic Cat 500 wiring diagram as complicated as it sounds?
- A: Fear not, brave soul! Deciphering the wiring diagram is less like decoding ancient hieroglyphics and more like solving a quirky crossword puzzle. Once you get the hang of it, you'll feel like the Sherlock Holmes of snowmobile schematics.
Q: Can I accidentally turn my Arctic Cat 500 into a disco ball with the wiring diagram?
- A: Ah, the age-old dream of a disco-ready snowmobile! While the wiring diagram won't turn your Arctic Cat into a dance floor sensation, it will guide you through understanding the colorful dance of wires that power your ride. Sorry, no Saturday Night Fever on snow-covered trails – but hey, safety first!
Q: Are there hidden messages in the Arctic Cat 500 wiring diagram?
- A: Secret codes? Illuminati symbols? Sadly, no mystical messages here. The wiring diagram is more straightforward than a kindergarten coloring book. It's designed to unveil the secrets of your snowmobile, not initiate you into a secret society of mechanics.
Q: Can the wiring diagram teach me to speak 'electrician' fluently?
- A: Absolutely! After a date with the wiring diagram, you'll be fluent in the language of electrons and volts. You might even impress your friends at parties with your newfound ability to discuss resistance, current, and the oh-so-fascinating world of electrical circuits. Sparkling conversations, guaranteed!
Keywords : 1998 ARCTIC CAT 500 Wiring Diagram
 

No comments: